.
EN
首 页
关于公司
公司简介
品牌服务
产品中心
制氮机系列
永磁变频螺杆空气压缩机
无油永磁变频螺杆空气压缩机系列
微油螺杆式空气压缩机
空压机后处理设备系列
辉腾达余热回收机
激光专用空气压缩机
新闻中心
公司新闻
行业新闻
科技创新
售后服务
售后服务
产品应用
营销服务
产品案例
新店代理
经典案例
联系我们
联系方式
产品中心
制氮机系列
制氮机
永磁变频螺杆空气压缩机
油冷永磁变频空气压缩机
双级压缩永磁变频空气压缩机
低压永磁变频空气压缩机
中压永磁变频空气压缩机
螺杆空气压缩机
无油永磁变频螺杆空气压缩机系列
无油水润滑永磁变频空气压缩机
干式无油永磁变频空气压缩机
微油螺杆式空气压缩机
螺杆式空气压缩机
空压机后处理设备系列
冷冻式空气干燥机
微热再生吸附式空气干燥机
无热再生吸附式空气干燥机
高效精密过滤器
不锈钢储气罐
辉腾达余热回收机
辉腾达余热回收机
激光专用空气压缩机
激光专用空气压缩机
热点信息
【辉腾达邀您共赴27届大连国际工业博览会展会】智造未来,合作共赢,展位 C217-218号期待您的到来!
【辉腾达邀您共赴22届青岛国际家具展 展会】聚焦空压机创新,展位 S4-70 号期待您的到来!
如何根据具体需求选择合适的空压机?
空压机主要应用领域
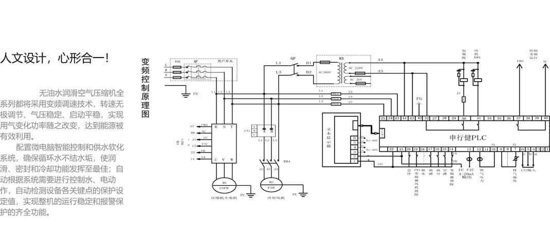
无油水润滑永磁变频空气压缩机HTD-150VF/W
无油水润滑永磁变频空气压缩机HTD-150VF/W
无油水润滑永磁变频空气压缩机
返回列表
产品介绍
[news:P_jscs]
[news:P_czjj]
[news:P_czsms]
[news:P_yyal]
关于公司
公司简介
品牌服务
产品中心
制氮机系列
永磁变频螺杆空气压缩机
无油永磁变频螺杆空气压缩机系列
微油螺杆式空气压缩机
空压机后处理设备系列
辉腾达余热回收机
激光专用空气压缩机
新闻中心
公司新闻
行业新闻
科技创新
售后服务
售后服务
产品应用
营销服务
产品案例
新店代理
经典案例
联系我们
联系方式
咨询热线:
13070886598